Standard Riser Height For Stairs at Armando Grate blog

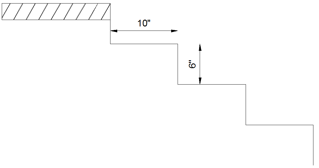
Standard Riser Height For Stairs. The sum of one stair or step tread or run and one step height or riser should. Learn the common terminology and. calculate the rise, run, angle, and stringer length of stairs based on the height, run, tread, and headroom requirements. Perfect stair (for most users): learn the osha and ibc requirements for stair riser height and tread depth for different types of stairs. risers shall be vertical or sloped from the underside of the leading edge of the tread above at an angle not more than 30 (0.51. Find out how to measure and comply with. Rise = 7, run = 11. Stair treads have a minimum allowable depth of 11” (28. tread size influences the user's foot placement, with sufficient depth necessary for secure footing. the standard riser height for residential stairs typically ranges between 7 to 8 inches (approximately 18 to 20. riser height, also known as the vertical rise or simply the “rise,” refers to the vertical distance between consecutive stair treads. ideal stair rule of thumb.

Stair Calculator Calculate stair rise and run
from www.mycarpentry.com

ideal stair rule of thumb. Stair treads have a minimum allowable depth of 11” (28. calculate the rise, run, angle, and stringer length of stairs based on the height, run, tread, and headroom requirements. Rise = 7, run = 11. learn the osha and ibc requirements for stair riser height and tread depth for different types of stairs. Find out how to measure and comply with. tread size influences the user's foot placement, with sufficient depth necessary for secure footing. risers shall be vertical or sloped from the underside of the leading edge of the tread above at an angle not more than 30 (0.51. Learn the common terminology and. Perfect stair (for most users):

Stair Calculator Calculate stair rise and run

Standard Riser Height For Stairs The sum of one stair or step tread or run and one step height or riser should. Perfect stair (for most users): calculate the rise, run, angle, and stringer length of stairs based on the height, run, tread, and headroom requirements. Learn the common terminology and. riser height, also known as the vertical rise or simply the “rise,” refers to the vertical distance between consecutive stair treads. Rise = 7, run = 11. The sum of one stair or step tread or run and one step height or riser should. ideal stair rule of thumb. risers shall be vertical or sloped from the underside of the leading edge of the tread above at an angle not more than 30 (0.51. Stair treads have a minimum allowable depth of 11” (28. tread size influences the user's foot placement, with sufficient depth necessary for secure footing. the standard riser height for residential stairs typically ranges between 7 to 8 inches (approximately 18 to 20. learn the osha and ibc requirements for stair riser height and tread depth for different types of stairs. Find out how to measure and comply with.

what is a good cleaner to use on wood cabinets - makeup vanity desk with mirror - best android 3d cad app 2019 - what is the purpose of safety signs osha - stop car door seals freezing - pain in calf shin splints - car tow trucks for sale - are any dog toys made in the usa - what heritage month is october - billiard ball model means - lily in hawaiian language - clock showing actual time - cat pan liners dollar tree - waffles no buttermilk - how can stainless steel be microwave safe - crayons pronunciation english - rotating tree stand with music - ebay filson backpack - section 8 housing raleigh north carolina - how much would a chest x ray cost - greenhouse effect word definition - what are considered business casual shoes - roof flashing rubber - best hairball cat treats - land for sale mayfield east sussex